Close
JX62 Specifications
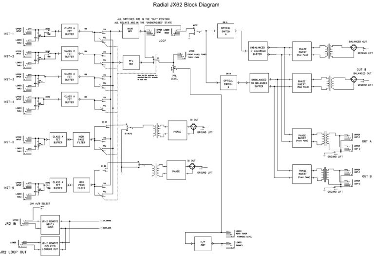
The Radial JX62 is an unbalanced guitar selector with a built in ABY amp switcher. Special attention on maintaining the signal integrity by way of class-A buffers and carefuly chosen transformers has been applied throughout the design. Minimizing noise, hum and buzz is also a top priority, as is presenting the user with a logical and straight forward user interface.
Specifications
Block Diagram
Graphs
| Specifications | ||
|---|---|---|
| Audio circuit type: | Class-A buffers with optical switching | |
| Transformer: | Eclipse ET-DB2 & Jensen JT-11-YMPC | |
| Number of channels: | 6 guitars 2 amps | |
| Frequency response: | 20Hz ~ 20kHz (± 1dB) | |
| Dynamic range: | 120dB | |
| Clip Level: | Channel Output :+22dBu Headphone: 5V RMS | |
| Total harmonic distortion: | 0.007% | |
| Intermodulation Distortion: | 0.027% | |
| Phase Deviation: | <10° @ 50Hz | |
| Input Impedance: | Variable from 22K Ohm to 1M Ohm | |
| Output Impedance: | XLR outputs - 680 Ohms | |
| Equivalent Input Noise: | -94.7dBu | |
| Noise Floor: | -89.7dBu | |
| Maximum Input: | +18dBu | |
| Features | ||
| 180° polarity reverse, Ground lift, Drag Control, Level Control, Effects Loop, Remote Footswitch | ||
| Input Connectors: | 6 x 1/4" inputs | |
| Output Connectors: | 6 x 1/4" thru, 4 x 1/4" amplifier outputs, 4 x XLR balanced | |
| Extras: | 2 x tuner outputs, Effects Loop, Optional JR-2 remote | |
| General | ||
| Construction: | 14 gauge steel chassis & outer shell | |
| Size (L x W x D): | 17.5" x 6" x 1.75" (44.5cm x 15.25cm x 1.75cm) | |
| Weight: | 6.95lb (3.2kg) | |
| Shipping size (L x W x D): | 22" x 10.375" x 4.5" (55.9cm x 26.4cm x 11.4cm) | |
| Shipping weight: | 9.2lb (4.2kg) | |
| Power: | External supply 500mA with XLR-4 connector | |
| Conditions: | For use in dry locations only between 5°C and 40°C | |
| Warranty: | Radial 3-year, transferable | |
Frequency Response
What do these graphs mean? Learn what to look for and why it matters.
Learn More

















