Close
Workhorse Specifications
The Radial Workhorse is designed to be a neutral sounding platform through which various modules can be connected. In other words, the `personality` of the module is meant to shine through. The simplicity of the design is ideally suited for this task as there are no individual channel inserts, effects or equalization circuits. This being said, analogue audio equipment should introduce warmth and personality to the clinical world of digital recording. To this end, we have provided two types of outputs: the main output is Jensen transformer coupled to add character and warmth while the monitor output has been optimized for absolute linearity.
Specifications
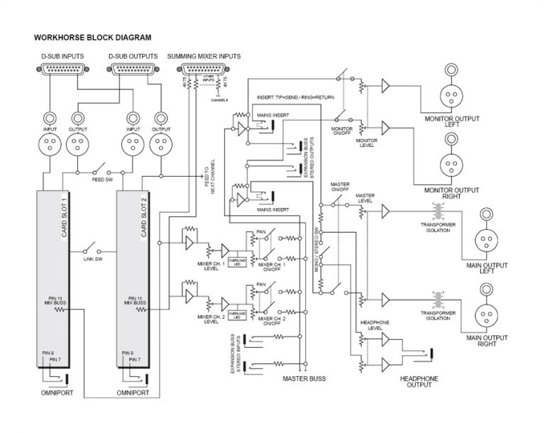
Block Diagram
Graphs
| Specifications | ||
|---|---|---|
| Audio circuit type: | Connection buss from modules to connectors | |
| Transformer: | Jensen Transformer isolation on main outputs | |
| Number of channels: | 8 card slots | |
| Total harmonic distortion: | 0.007% @ 1kHz with 10dB in and 10dB out 0.05% @ 20Hz with 10dB in and 10dB out | |
| Noise Floor: | -91dB with +20dB output | |
| Voltage Gain: | Up to +23dB on the main output | |
| Cross Talk: | -65dB | |
| Features | ||
| Level Control, Phantom Power, Headphone, OmniPort | ||
| Input Connectors: | Card Slot Inputs: 8 XLR, 1/4", D-Sub | |
| Output Connectors: | Card Slot Outputs: 8 XLR, 1/4", D-Sub | |
| Extras: | XLR, 1/4" TRS Jensen Transformer isolated main outputs, 1/4" Headphone outputs | |
| General | ||
| Size (L x W x D): | 19" x 5.25" x 7.44" (482.6 x 134 x 189mm) | |
| Weight: | 12.4lbs / 5.6kg | |
| Power: | 100V - 240V AC with 48V Phantom Input (1200mA output) | |
| Conditions: | For use in dry locations only between 5°C and 40°C | |
| Warranty: | Radial 3-year, transferable | |
What do these graphs mean? Learn what to look for and why it matters.
Learn More










